微博
微信公众号
首 页
产品
空气能热泵换热器
泳池钛换热器
蒸发冷空调换热器
空气能采暖换热器
高效罐换热器
应用
新闻
行业新闻
企业新闻
联系我们
联系我们
空气能热泵换热器
首页
->
产品 -> 空气能热泵换热器
1
分享
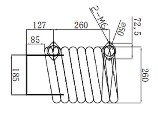
10P空气能套管
作者:
来源:
时间:2025-08-03
操作>>
套管换热器参数表
套管图纸简介
产品实拍
相关动态
03.20
10P空气能套管
03.20
7P空气能套管