10P蒸发冷套管

  • 作者:
  • 来源:
  • 时间:2025-07-05

套管换热器参数表 

1752827436395682.jpg

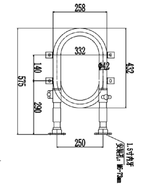
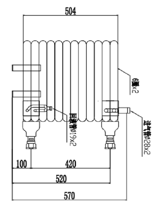
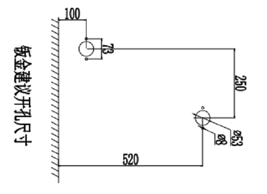
套管图纸简介


62cb00da016afe360175434de98ef143.png

f332c9bbc652c545d65b9033b185843d.png

00c343f154ac1a8bc02f130bc65ae4ea.png

产品实拍

new537.png

new537..pngnew537...png1752830825427675.jpg